WallBox je odolná dobíjecí stanice pro nabíjení všech elektromobilů na EU trhu výkonem až 22 kW (střídavý proud AC). Dobíjecí stanice je určena pro venkovní použití i instalaci do garáže. Dále nabízí možnost montáže na zeď (wallbox) nebo na profil kotvený do země (sloupek).
Tento WallBox je již v základní verzi vybaven širokou škálou funkcionalit. Nabíjení lze zahájit automaticky ihned po připojení vozidla a identifikaci RfID kartou nebo mobilním telefonem. Přes mobilní aplikaci se také provádí kompletní konfigurace. Výkon stanice může být nastaven v rozsahu 0 až 22 kW.
Stanici je možné připojit na HDO, integrovat do chytré domácnosti, propojit s bateriovým úložištěm nebo integrovat s dalšími regulačními systémy. Prostřednictvím externí jednotky OlifeEnergy SmartMeter (samostatný produkt) je možné dynamicky řídit výkon nabíjecí stanice, aby nedocházelo k vypínání jističů při vysokém odběru, a nabíjet z přebytků solární energie nebo nízkého tarifu.
ZÁKLADNÍ SPECIFIKACE
Výkon: 22 kW
Vstupní napětí: 3× 400 V (možnost 1× 230 V)
Vstupní proud: 0–32 A
Typ připojení dle ČSN EN 61851: Typ B
Výstup: Typ 2 (dle ČSN EN 62196), zásuvka
Kategorie krytí: IP54
Provozní teplota: -25 až +40 °C
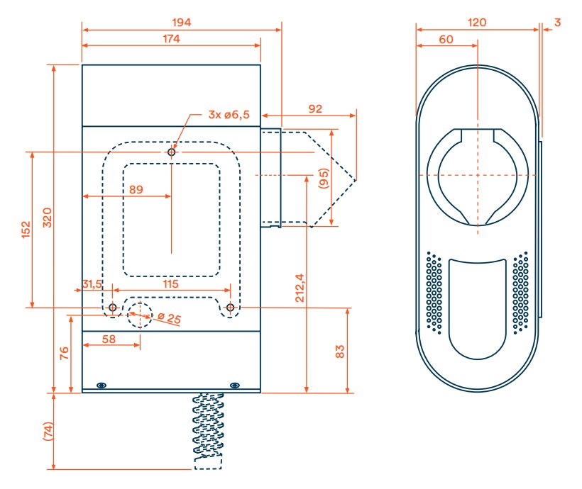
Rozměry: 320 × 194 × 120 mm
Hmotnost: 6,5 kg (čistá, balení + 2 kg)
